Kermi 2534085 set gebogen spatwaterdichtingen 6mm
Merk:
Kermi 2534085 set gebogen spatwaterdichtingen 6mm
€ 82,80 incl. BTW
Merk:
Serie:
Type douchedeur:
Categorieën:
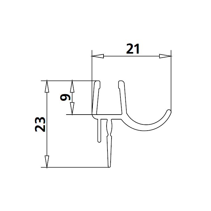
6mm horizontaal gebogen glas strip met 3 flap
Kermi 2534085 set gebogen spatwaterdichtingen 6mm
Algemeen
Merk
Kermi
Serie
Kermi Raya
Type douchedeur
- Raya RA P50
- Raya RA P55
Levertijd
3 tot 4 weken
Kleur
transparant
Douchestrip
Douchestrippen eenheid
per set
Douchestrippen glasdikte
6mm
Douchestrippen lengte
overig
Douchestrippen toepassing
seriegebonden
Douchestrippen uitvoering
horizontaal gebogen glas
Douchestrippen vorm
strip met 3 flap
Omschrijving
Kermi 2534085 set gebogen spatwaterdichtingen 6mm
Zijn de strippen of rubbers van uw douchewand verkalkt of verkleurd ?
Dit is een set gebogen spatwaterdichtingen voor de onderkant van de Kermi:
-
Raya kwartrond 4-delig ( RA P50 ) en ( RA P55 )
U dient de strippen zelf op maat te maken.
Dit artikel wordt speciaal voor u besteld en kan derhalve niet worden geretourneerd.
















